SEMEM_DFK-5/6/7/8电动阀门控制器

一、DFK型电动阀门控制器 概述:
DFK型电动阀门控制器用以控制电动阀门的开启和关闭,可以现场操作,也可以远距离操作,可以单独控制也可集中控制,对于使用管道阀门的石油、化工、水电、煤炭、冶金等工业部门具有重要意义。
二、DFK型电动阀门控制器 参数:
1、阀门控制器按控制电动机功率不同,型号如下:
|
型 号 |
DFK-5 |
DFK-6 |
DFK-7 |
DFK-8 |
|
电动机功率(KW) |
0-3 |
4-7.5 |
0-3 |
4-7.5 |
|
额 定 电 流(A) |
10 |
20 |
10 |
20 |
2、电源电压:380VAC 50Hz三相四线;
3、工作条件:
a)环境温度0-50度;
b)相对温度85%,海拔不高于1000米;
c)周围不含有腐蚀性、易燃、易爆的物质;
4、外形及开孔尺寸:控制器有盘装式和墙挂式两种

DFK抽屉式控制箱外形尺寸图:

DFK挂壁式外形尺寸图:

5、重量
|
型 号
|
DFK-5 |
DFK-6 |
DFK-7 |
DFK-8 |
|
重 量(kg) |
4 |
5 |
6 |
7 |
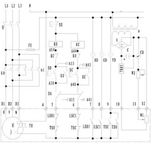
三、DFK型电动阀门控制器 工作原理:
DFK型电动阀门控制器的电气电路由主电路,控制电路和指示电路组成,原理如下:
电位器1W是电动阀门附件,其阻值与阀门开度成正比,当2SA开关处于本机时,可以由本机控制。按下1SB则阀门关,按下2SB则阀门开,当达到全关或全开位置时,行程开关1WK(2WK)起作用,则接触器GKM(KKM)断电,此为全关(全开)状态,当2SA开关处于本机时,还可由11,12,15号端子引线外接的按钮3SA,4SB操作阀门的开关,且有自锁,要停止阀门动作,则要操作现场停止按钮或事故开关3SA。当超转矩开关1GK(2GK)动作时,自动使接触器断电,此时转矩超载指示灯亮,并合使对阀门的同向操作无效,直到故障被确认,操作本机电源1SA开关或现场事故开关3SA则可解除故障指示及保护状态。
阀门全开(全关)时,行程开关2WK(1WK)动作,阀门指示灯常亮,阀门在开(关)过程中,阀门指示灯闪亮,闪亮过程是由振荡器闪动开关完成的,机内有DC15V直流电源作为阀门开度表用电源,当2SA开关处于自动时,由16,11,12号端子引线外接开关,可作自动控制用,但开关操作无自锁,闭合时阀门动作,断开时阀门停止。本机有阀门位置信号的4~20mA电流输出,选型加尾注A。

四、DFK型电动阀门控制器 面板操作说明:
DFK型电动阀门控制器面板布置见图1说明如下:
1、开度表:阀门开启、关闭的程度;。
2、黄绿色指示灯:过转矩指示,全开全关指示。阀门开关过程指示灯闪动,全开全闭指示灯常亮。
3、红色指示灯:电源指示;
4、电源开关:拨到电源位置,接通电源,相反切断电源;
5、阀开按钮:控制阀开;
6、阀关按钮:控制阀关;。
7、切换开关:本机位置-由本机操作或现场按钮操作(有自锁)
自动位置-由自动装置控制或现场按钮操作(无自锁)
8、开度调节电位器:调节开度表与阀门开度对应。
五、DFK型电动阀门控制器 使用说明:
1.按电气原理图将控制器和电动装置连接好,开启电源,按工作原理介绍的内容检查控制器的各个工作状态;
2.开度表调节,先将电位器顺时旋到头,然后开启电源,开启阀门到全开位置,逆时针旋转,电位器调整开度表指针到100%;
3.与电动装置联接在一起的总装调整,详见阀门电动装置使用说明书。
六、DFK型电动阀门控制器 端子接线:
DFK型电动阀门控制器通常1GK、2GK、1WK、2WK有常开接点,则端子5、6应与电源端子N连接。不使用1GK、2GK、1WK、2WK的常闭接点。此时5、6号端子应与N端子短接。





