SEMEM_DKX型电动阀门控制箱

一、DKX型电动阀门控制箱 概述:
DKX型电动阀门控制箱是用以控制电动阀门的开启和关闭,可以实现在控制室内远距离对电动阀门的控制。
阀门控制箱与电动阀门配套后广泛地应用于使用管道阀门的给排水、供热、电站、化工、食品、纺织、造纸、制药、船舶、钢铁和煤炭等工业部门。
特点1:控制电路采用直流稳压电源,控制可靠、开度指示准确且操作简单;
特点2:机壳采用标准的仪表机箱,体积小,重量轻,便于安装在控制屏上.电动阀门出力矩时有蜂鸣器报警,便于及时排除故障;
二、DKX型电动阀门控制箱 技术参数
阀门控制箱按其控制的电动机功率(额定电流)不同,划分如下型号:

电源:380V,50Hz,三相四线;
环境温度:-20~+40℃;
相对湿度:不大于80%(20±5℃时)周围不含有强腐蚀性、易燃易爆介质。
外形及开孔尺寸:
|
型号
|
DKX-C-10 DKX-C-20 |
DKX-G-10 DKX-G-20 |
|
外形尺寸(mm) |
(宽*高*深) |
(宽*高*深) |
|
开孔尺寸(mm) |
152*152 |
|
|
结构形式 |
抽屉式 |
墙挂式 |
DKX-C抽屉式控制箱外形尺寸图:

DKX-G挂壁式外形尺寸图:

三、DKX型电动阀门控制箱 工作原理:
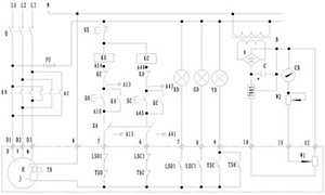
电动阀门控制箱的电路主要由控制电路、工作显示电路、开度指示电路和主电路(主电路中的行程和力矩微动开关KXK,GXK,KZK,GZK和电机在阀门电动装置内)四部分组成。
接通阀门控制箱的电源后,电源指示灯亮,现场/远控指示灯显绿色,电动阀门控制箱为远控状态。
当阀门在“全开”位置时,面板上的“阀开”绿色指示灯亮,在“全关”位置时黄色的“阀关”指示灯亮,在“全开”与“全关”之间位置时,两个指示灯都不亮。“现场/远控”按键为现场/远控选择键,释放为远控状态指示灯显绿色。按下为现场状态指示灯显红色。
当选择阀门控制箱为远控状态时,电动阀门控制箱 面板上的“开阀”、“关阀”、“停”等按键起控制作用。现场电动装置上的“现场开”、“现场关”按钮不起作用(用户在选购电动装置时,现场控制按钮为任选件,因此部分用户的电动装置可能不具备现场控制功能,但是没有现场控制功能并不影响控制箱的远控功能)。
当选择控制箱为现场状态时,电动装置上的“现场开”、“现场关”按钮起控制作用,控制箱面板的“开阀”、“关阀”、“停”等按键不起作用。按下“开阀”按键,电机电源被接通,电机转动,当阀门到达“全开”位置时1GXK微动开关被凸轮触压,电机停止转动,同时2GXK微动开关被另一个凸轮触压,指示“阀关”的黄色指示灯亮。当电动阀门在开向或关向工作行程中需停止,可按下“停”按键。电动阀门在开向或关向工作过程中如出现了“过力矩”情况,电动装置的凸轮就会触压KZK或GZK二个微动开关中的一个,电机随即停止转动,并接通了报警电路,面板上的红色故障指示灯亮,同时蜂鸣器发出4KHz的报警声。
四、DKX型电动阀门控制箱 安装与调整:
根据您所选购的型号规格按图将其安装固定。用电缆按相同的端子号将控制箱和电动装置的端子连接起来。如果用户所订购的电动装置不带现场控制按钮则12、13、14不接即可,不会影响控制箱 的“远控”功能。把三相电源分别接到控制箱 的A、B、C、N端子上。确认接线无误后,接通面板上的电源开关,检查控制箱是否工作在“远控”状态。如果不是“远控”状态请设置为“远控”状态。用手轮将电动阀门开启至约50%开度时,按“开”或“关”按键,检查阀门的旋向与所按的按键是否一致,如不一致立即按“停”,切断电源,调换三相电源中的二相。分别按下“开”、“关”、“停”按键,检查工作是否正常。当阀门处于“全开”位置时,检查开度表指针是否指示要100%刻度,如有误差请微调前面板上的开度“调整”使开度表指示为100%(本机出厂时均已调在良好位置附近,用户无需做大的调整)。与阀门电动装置联调,详见控制原理图。
五、DKX型电动阀门控制箱 控制原理图:






