|
小提示:FR11型电子式流量传感器,又名热导式流量传感器,热式流量传感器。设定范围1…20m/s,输出继电器(230VAC,4A)、4…20mA。无压力损失,适用多种流体介质,简明直观的指示,高可靠性。
FR型 电子式流量传感器
(热导式)

FR11型电子式流量传感器 原理,结构
基于热式原理,在封闭的探头内包含两个电阻,其中一个被加热作为探测电阻,另一个未被加热作为基准电阻,当介质流动时,加热电阻上的热量被带走. 电阻值被改变.两个电阻差值被用作判断流速的依据.
FR11型电子式流量传感器 特点
无活动部件,免维护,安装方便,一种型号适用多种管径要求.开关量连续可调, 极低的压力损失,结构紧凑.LED 显示流动趋势及开关状态。.
FR11型电子式流量传感器 应用
气液两用型,可用于气动和液压系统,可用于循环水、切削液及润滑油的断流监测,以及泵的空转保护。
FR11型电子式流量传感器 技术参数
△设定范围:1…150cm/s( 水),3…300cm/s(油),20…2000cm/s(空气)
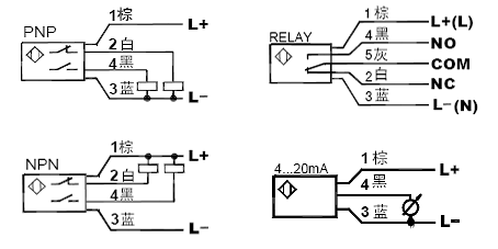
△信号输出:PNP,NPN,继电器,模拟量(4…20mA),常开+常闭(SPDT)
△供电:24V±20%DC 或230V±15%AC
△接通电流:最大400mA(PNP 或NPN 型),最大4A(继电器型)
△空载电流:最大80mA
△流量指示:LED 排(6个)
△设定方式:电位计设定
△耐压范围: 100bar
△温度梯度: 4℃/s
△响应时间:1--13s,典型值2s
△初始化时间: 8s
△电气保护: 反相,短路,过载保护
△防护等级: IP67
△介质温度:-20--80℃
△环境温度:-20--80℃
△储存温度:-20--100℃
△接线方式:M12 接插件/直接附2米线(可选)
△材质: 探头:不锈钢,外壳:PBT(工程塑料)
△重量:0.4kg
FR11型电子式流量传感器 尺寸图

| G1/4连接螺纹 |
G1/2连接螺纹 |
开关量输出型 |
模拟量输出型 |
FR11型电子式流量传感器 安装
 
当垂直安装时,应装在由下至上流动的管段上; 当水平安装时,探头应避开空气和沉淀物。
FR11型电子式流量传感器 电气连接

FR11型电子式流量传感器 LED功能及设定(开关量型)
红色LED亮:断流或流速低于设定值,开关释放,或模拟量处于4Ma,
黄色LED亮:流速等于设定值,开关动作,
黄色及绿色LED亮:流速大于设定值,绿灯变亮越多表明流速越大。

将流量开关装好,使介质以需要监测的流速流动,调整电位计,使第一个绿色LED恰好变亮。此后当流速低于当前值时,开关就释放。 若要使开关点比当前流速小,可调整电位计使绿色LED多亮一些。
FR11型电子式流量传感器 LED功能及设定(模拟量型)
模拟量输出型流量传感器,输出为4…20mA,正比于流速,输出为非线性。每个传感器有两个旋纽,一个为上限(20mA),一个为下限(4mA),用于输出设定。
红色LED亮:流量小于最低限。输出<4mA
绿色LED亮:表明流量处于设定范围内。4mA<输出<20mA。

将流量传感器装好,使介质以需要监测的低限流速流动,调整下限旋钮,使第一个绿色LED亮(4mA);使介质以需要监测的上限流速流动,调整上限旋钮,使第五个绿色LED亮(20mA);此后,输出将正比于上限和下限之间的流速,即 4mA对应下限流速,20mA对应上限流速.
FR11型电子式流量传感器 型号
型号举例 |
产品描述 |
FR11-G12H-DA-Q |
G1/2 连接,DC24V供电,4…20mA输出 |
FR11-G12H-DC-RQ |
G1/2 连接,DC24V供电,继电器输出 |
FR11-G12H-WC-RC |
G1/2 连接,AC220V供电,继电器输出 |
|