|
小提示:SEMEM防爆型电动阀门控制箱,DKX-GB(DKXB-G)型防爆型电动阀门控制箱。包括DKX-GB-10、DKX-GB-20、DKX-GB-40等规格。墙挂式结构。又称防爆型电动阀门控制器。
DKX-GB型 防爆型电动阀门控制箱

一、DKX型防爆型电动阀门控制箱 技术参数
电源:三相380V(50Hz)三相四线制。
环境温度:-20℃~+60℃
相对湿度:≤95%
防护类型:隔爆型防爆标志为dⅡBT4,用于工厂,适用于环境为ⅡA、ⅡB级T1~T4组的爆炸性气体混合物。(详见GB3836.1)
防护等级:防护等级为IP55
型号、规格:控制器按其控制的电动机功率(额定电流)不同,划分如下型号
型 号 |
DKX-GB-10 |
DKX-GB-20 |
DKX-GB-40 |
电动机功率(KW) |
0.09-3 |
4-7.5 |
11-15 |
额定电流(A) |
10 |
20 |
40 |
二、DKX型防爆型电动阀门控制箱 结果特点
DKX-GB防爆型电动阀门控制器为挂壁式。使用于爆炸性可燃气体I区-II区危险场所,IA-IIB类级别,温度组为T1-T4,防爆标志为ExdIIBT4,它既可以用于现场单一控制,也可以与距离集中控制。
DKX-GB防爆型电动阀门控制器隔爆结构构主要通过两个联结零件之间的止口,电缆进出线孔由橡胶密封,视窗口由涂环氧树脂密封。
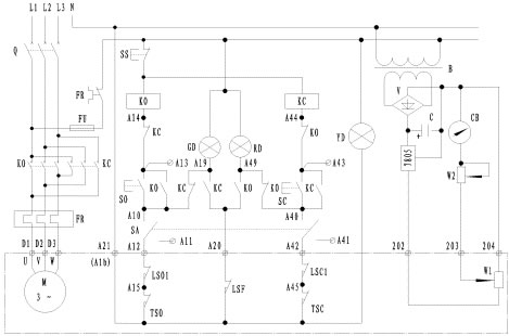
DKX-GB防爆型电动阀门控制器电路主要由主电路,控制电路,共组显示电路和开度指示电路组成。控制电源采用经变压器降压后的36V低压隔离电源。
三、DKX型防爆型电动阀门控制箱 安装使用
首先,按照电动装置使用说明书做好通电前的调试准备工作,再按照控制箱电气原理图和电动装置接线图接线,经检查无误后,接通电源。
这时如红灯RD和绿灯GN均亮,表示电动阀门处于中间位置,检查电机相序正确后,操作开向按妞SO,开到位电动装置应停止工作,此时红灯RD亮,绿灯GN灭,表示阀门处于全开位置;操作关向按妞SC,关到位时电动装置应停止工作,此时红灯RD灭,绿灯GN亮,表示阀门处于全关位置。在开启过程中,红灯RD闪亮,绿灯GN常亮;而在关闭过程中,绿灯GN闪亮,红灯RD常亮。
开度指示器的调试:调节电动装置内开度指示器上的电位器W1和位于控制箱内的电位器W2,使开度表在电动阀门处于全关位置时指示为0,全关位置时满度指示。
四、DKX型防爆型电动阀门控制箱 控制原理图

五、DKX-G3B型防爆型电动阀门控制箱

六、DKX-G4B型防爆型电动阀门控制箱


|