|
小提示:FM(2002)水泵智能控制器, 给排水型水泵智能控制器,一控二,给水与排水运行模式。泄漏故障/超温故障/过载故障保护,实时显示水泵运行状态。
FM型 水泵智能控制器
(给排水型水泵智能控制器)

一、FM(2002)给排水型水泵智能控制器 性能特点
控制器和同类产品相比,有如下一些显著的特点:
◆ 智能化程度高,多达18 个功能参数选项,仅需按照系统要求简单地设定相应的参数,即可实现复杂的电气控制系统,可减少大量的调试工作量;
◆ 显示内容更加全面,操作更加人性化。通过参数的设定,可以组合成任意控制方式和显示内容,人机互动更完善,并有丰富的故障报警信息;
◆ 提供分时启动电机功能,按需运行设备,使节能效果更加明显;
◆ 控制过程中对故障的处理能力更全面,有完美的报警机制并能及时自动停机,把故障所造成的损坏降到最低;
◆ 内置EEPROM,记录系统工作时间,水泵运行累计时间,水泵启动累计次数,水泵故障累计次数,水泵功率记录,停电保持;
◆ 给水,排水两种方式可供选择;
◆ 多种水泵控制模式选择:浮球开关,干簧管,电极点压力表,液位传感器,超声波液位仪,时间轮换;
◆ 水泵故障保护功能:泄漏故障 / 超温故障 / 过载故障;
◆ 在线编程功能,设置、调试更加方便;
◆ 显示界面实时显示水泵运行状态,能有效现场掌握水泵运行状态;
◆ 模拟、数字信号全部采用光电隔离,抗干扰能力强;
◆ 完善的接口,有手动/自动操作模式,可与PLC 连接;
◆ 时间限止功能的启用与关闭,方便客户的试用。
◆ 器件采用先进SMT(表面贴装)生产工艺,结构美观大方,性能更加稳定;
◆ 系统电源采用宽电压的开关电源,对供电大范围的波动有充足的抵抗能力;
◆ 系统同时配置软硬件看门狗,可以适应更加恶劣的工作场合;

二.FM(2002)给排水型水泵智能控制器 主要功能
◆ 手动,自动二种操作模式;
◆ 给水与排水运行模式;
◆ 浮球开关,干簧管,电极点压力表,液位传感器,超声波液位仪,时间多种轮换模式;
◆ 水泵频繁启动保护(5 秒);
◆ 可设定水泵故障,可设定P1 禁止运行或 P2 禁止运行;
◆ 水泵故障报警声光提示,故障信号继电器输出;
◆ 1 路4~20mA 模拟量输入,量程可设可设定;
◆ 6 路开关量输入,3000VDC 信号隔离;
◆ 3 路继电器输出;
◆ 水泵故障自动停机,故障恢复后,自动延时启动水泵工作;
◆ 人机界面实时显示,水泵运行状态;
◆ 控制器系统时间累计,P1/P2 水泵运行时间累计,P1/P2 水泵启动次数累计,P1/P2 水泵故障次数累计;
◆ 水泵功率参数显示,控制器设备号显示;
◆ 自带24VDC 2W 隔离电源,简单电气接线;
◆ 1~9999 小时的时间限止功能,独一的解除时间限止密码;
◆ MODBUS 通信接口与其它设备无缝通信,可实时组态。
三.FM(2002)给排水型水泵智能控制器 技术指标
◆P1 P2水泵继电器输出触点容量:5A/250V(AC)或5A/30V(DC);
◆故障继电器输出触点容量:5A/250V(AC)或5A/30V(DC);
◆模拟量采集分辨率:12BIT; 4~20mA 1~5V
◆信号输入:DC24V 开关量信号输入, 3000V 光耦隔离
◆输入电压范围 AC210~265V,50/60Hz,额定功耗 小于3W;
◆环境温度 -20℃~70℃;湿度 90%以下(无水珠凝洁);
◆外形尺寸:48 x 96 x 105 ,重量:0.3Kg;
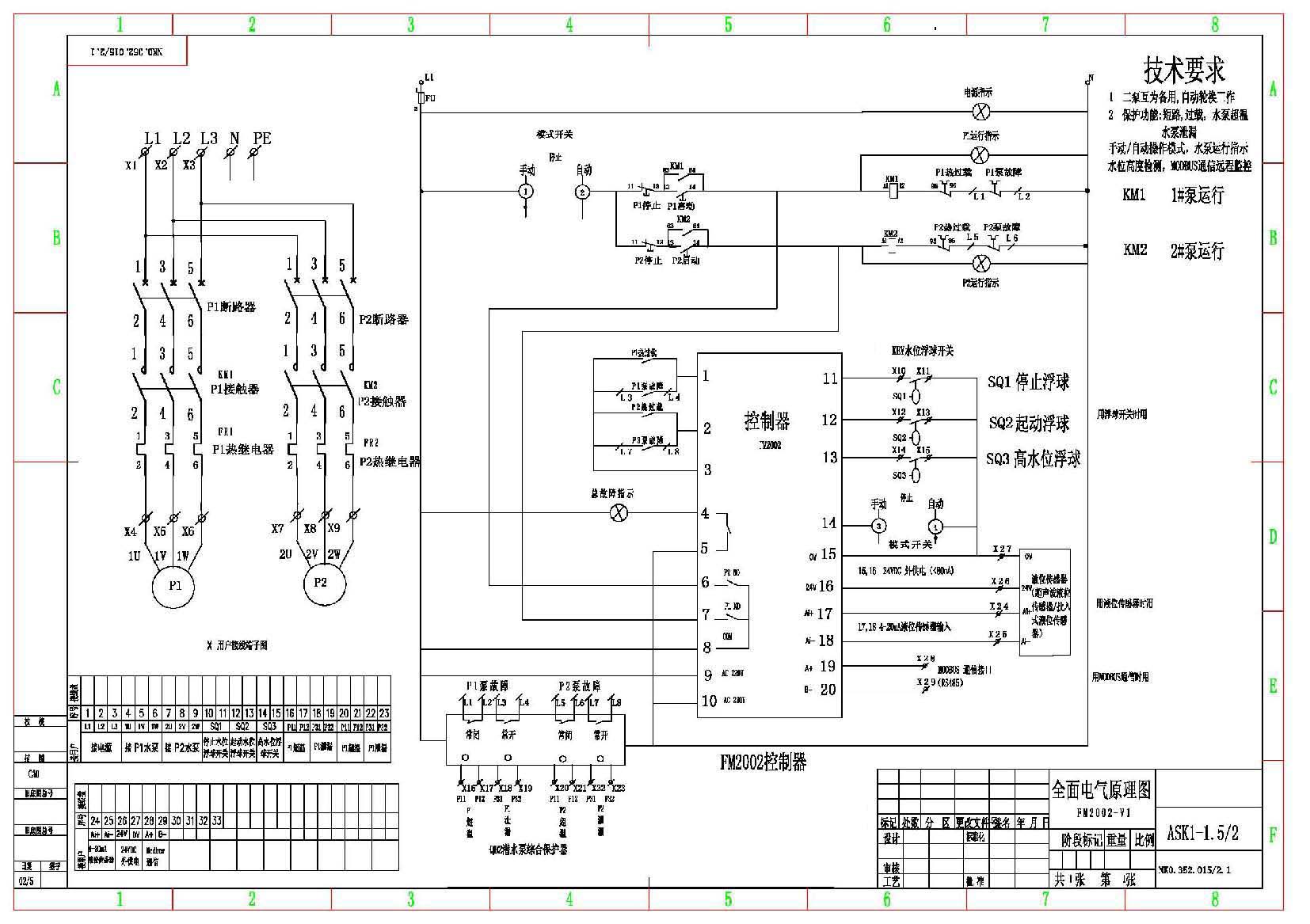
四、FM(2002)给排水型水泵智能控制器 典型接线

五、FM(2002)给排水型水泵智能控制器 安装与使用

|